特點 ■ 功能
● 系統硬件模塊化,設計可靠性高。 ● 流量控制
● 軟件功能強大,采用預置設計,控制精度高。 ● 參數設置
● 多種控制方式,操作十分方便。 ● 流量顯示
● 在線標定,自動校準。 ● 偏差報警
● 數字通訊

|
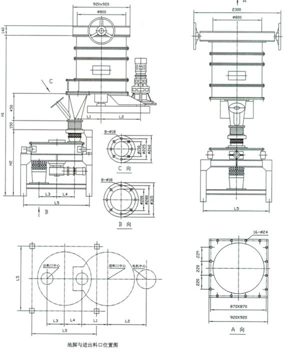
型 號
|
H1
|
H2
|
L1
|
L2
|
L3
|
L4
|
L5
|
重量
|
|
SPF-G-E01
|
2600
|
1100
|
430
|
650
|
290
|
293
|
1065
|
2200
|
|
SPF-G-E02
|
2600
|
1100
|
430
|
650
|
290
|
293
|
1065
|
2200
|
|
SPF-G-S01
|
2900
|
1200
|
430
|
650
|
290
|
293
|
1065
|
2600
|
|
SPF-G-S02
|
2900
|
1200
|
530
|
750
|
315
|
318
|
1265
|
2800
|
|
SPF-G-N01
|
2900
|
1200
|
630
|
850
|
395
|
398
|
1465
|
3400
|
|